您當前的位置:首頁>>產品中心>>商用鍋爐 商用鍋爐


- 產品詳情
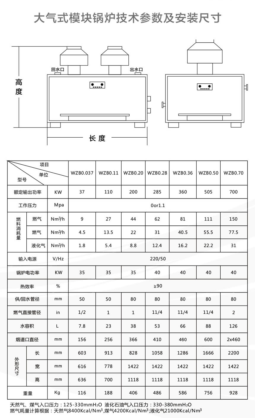
- 規格參數
- 服務支持
- 疑問解答









安裝/售后服務
微信
添加“鉑圖集團”或“Bortoo”微信號,隨時隨地預約安裝報修,實時跟蹤服務進度。

服務電話
400-019-0005
撥打全國統一售后服務報修電話24小時暢通為您提供貼心服務
服務政策
產品實行國家“三包”政策,售后服務實行全國聯保,嵌入式消毒柜提供免費上門服務。
2012年1月1日起購買的嵌入式消毒柜整機包修5年,易損件:紫外燈管、石英發熱管、玻璃制件包修1年,提供免費安裝及第一年內一次免費移機,立式消毒柜整機包修1年;易損件紫外燈管、石英發熱管、玻璃制件不包修,立式消毒柜不包安裝及免費移機。
十二項壁掛爐保養方法讓你夏天無憂!?
夏季保養的十二要素在壁掛爐保養工作中我們需要做好以下這12條工作:1.水路閥門是否損壞,如關閉不嚴或打不開2.水路有無滲漏3.更換一部分水,將系統臟物排掉4.燃氣閥門是否開關正常,潤滑油是否堵塞閥口5.使用當中有無漏氣現象6.管路連接的軟管
采暖的舒適度取決于壁掛爐是否安裝到位?
用戶對舒適生活的需求不斷上漲,采暖市場也不斷擴張,采暖系統出現大幅度上漲趨勢。俗話說:“三分產品,七分安裝”,采暖系統安裝是否到位,決定了冬季采暖的舒適度,那么采暖系統安裝有哪些步驟?
鉑圖青海辦事處?
地址:青海省西寧市城東區樂都路55-95號? 電話:15500520088
鉑圖青海辦事處?
地址:青海省西寧市城東區樂都路55-95號 電話:15500520088
這個圣誕節鉑圖壁掛爐為您送溫暖!?
鉑圖壁掛爐全體員工,預祝大家圣誕節快樂!愿您三冬暖,家不寒!






